【產品用途】
集團生產的J41H、J41Y、J41W 國標截止閥的啟閉件是圓柱形的閥瓣,密封面呈平面或錐面,閥瓣沿流體的中心線作直線運動。國標截止閥只適用于全開和全關,一般不用來調節流量,定做時允許作調節和節流。
【產品特點】
1、結構簡單,制造和維修比較方便
2、工作行程小,啟閉時間短
3、密封性好,密封面間磨擦力小,壽命較長
【執行標準】
設計規范:GB/T 12235
結構長度:GB/T 12221
法蘭連接:JB/T 79
試驗與檢驗:JB/T 9002
產品標識:GB/T 12220
供貨規范:JB/T 7928
【性能參數】
|
型號
|
J41H-16C~160C
|
J41Y-16C~160C
|
J41W-16P~160P
|
|
工作壓力(MPa)
|
1.6~16.0
|
|
適用溫度(℃)
|
≤425
|
≤150
|
|
適用介質
|
水、蒸汽、油品
|
弱腐蝕性介質
|
|
材料
|
閥體、閥蓋
|
碳素鋼
|
鉻鎳鈦不銹鋼
|
|
閥桿
|
鉻不銹鋼
|
鉻鎳鈦不銹鋼
|
|
密封面
|
堆焊鐵基合金
|
堆焊硬基合金
|
本體材料
|
|
填料
|
石棉石墨、柔性石墨、聚四氟乙烯
|
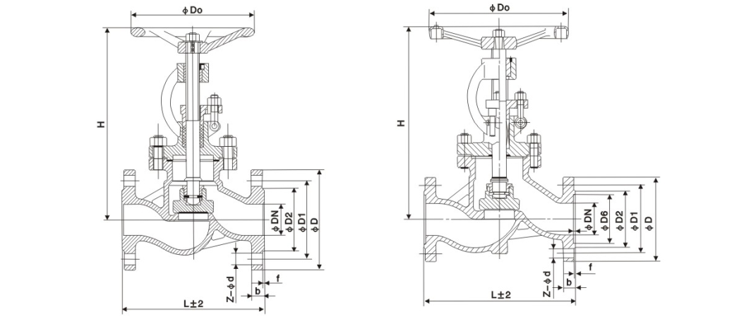
【主要外形和連接尺寸】
|
公稱通徑
|
主要外形尺寸和連接尺寸
|
|
L
|
D
|
D1
|
D2
|
b
|
Z-d
|
H
|
D0
|
|
J41H-16C
|
|
15
|
130
|
95
|
65
|
45
|
14-2
|
4-Φ14
|
170
|
120
|
|
20
|
150
|
105
|
75
|
55
|
14-2
|
4-Φ14
|
190
|
140
|
|
25
|
160
|
115
|
85
|
65
|
14-2
|
4-Φ14
|
205
|
160
|
|
32
|
180
|
135
|
100
|
78
|
16-2
|
4-Φ18
|
270
|
180
|
|
40
|
200
|
145
|
110
|
85
|
16-3
|
4-Φ18
|
310
|
200
|
|
50
|
230
|
160
|
125
|
100
|
16-3
|
4-Φ18
|
358
|
240
|
|
65
|
290
|
180
|
145
|
120
|
18-3
|
4-Φ18
|
373
|
240
|
|
80
|
310
|
195
|
160
|
135
|
20-3
|
8-Φ18
|
435
|
280
|
|
100
|
350
|
215
|
180
|
155
|
20-3
|
8-Φ18
|
500
|
300
|
|
125
|
400
|
245
|
210
|
185
|
22-3
|
8-Φ18
|
614
|
320
|
|
150
|
480
|
280
|
240
|
210
|
24-3
|
8-Φ23
|
674
|
360
|
|
200
|
600
|
335
|
295
|
265
|
26-3
|
12-Φ23
|
811
|
400
|
|
250
|
650
|
405
|
355
|
320
|
30-3
|
12-Φ25
|
969
|
450
|
|
300
|
750
|
460
|
410
|
375
|
30-3
|
12-Φ25
|
1145
|
580
|
|
350
|
850
|
520
|
470
|
435
|
34-4
|
16-Φ25
|
1280
|
640
|
|
400
|
980
|
580
|
525
|
485
|
36-4
|
16-Φ30
|
1452
|
640
|
|
J41H-25C
|
|
15
|
130
|
95
|
65
|
45
|
16-2
|
4-Φ14
|
170
|
120
|
|
20
|
150
|
105
|
75
|
55
|
16-2
|
4-Φ14
|
190
|
140
|
|
25
|
160
|
115
|
85
|
65
|
16-2
|
4-Φ14
|
205
|
160
|
|
32
|
180
|
135
|
100
|
78
|
18-2
|
4-Φ18
|
270
|
180
|
|
40
|
200
|
145
|
110
|
85
|
18-3
|
4-Φ18
|
310
|
200
|
|
50
|
230
|
160
|
125
|
100
|
20-3
|
4-Φ18
|
358
|
240
|
|
65
|
290
|
180
|
145
|
120
|
22-3
|
8-Φ18
|
373
|
240
|
|
80
|
310
|
195
|
160
|
135
|
22-3
|
8-Φ18
|
435
|
280
|
|
100
|
350
|
230
|
190
|
160
|
24-3
|
8-Φ23
|
500
|
300
|
|
125
|
400
|
270
|
220
|
188
|
28-3
|
8-Φ25
|
614
|
320
|
|
150
|
480
|
300
|
250
|
218
|
30-3
|
8-Φ25
|
674
|
360
|
|
200
|
600
|
360
|
310
|
278
|
34-3
|
12-Φ25
|
811
|
400
|
|
250
|
650
|
425
|
370
|
332
|
36-3
|
12-Φ30
|
969
|
450
|
|
300
|
750
|
485
|
430
|
390
|
40-4
|
16-Φ30
|
1145
|
580
|
|
350
|
850
|
550
|
490
|
448
|
44-4
|
16-Φ34
|
1280
|
640
|
|
400
|
980
|
610
|
550
|
505
|
48-4
|
16-Φ34
|
1452
|
640
|
【結構圖片】
